2J-T型柱塞式計量泵
產品描述:性能特點(1)流量可從0-100%動態調節;(2)雙柱塞設計,脈沖小,工作穩定;(3)流量可達至15500L/h,壓力可高達64Mpa;(4)可輸送兩種不同介質;(5)可電控或遙控
詳細介紹:
性能特點
(1)流量可從0-100%動態調節;
(2)雙柱塞設計,脈沖小,工作穩定;
(3)流量可達至15500L/h,壓力可高達64Mpa;
(4)可輸送兩種不同介質;
(5)可電控或遙控
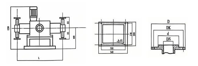
技術參數
型號規格 | 流量 (L/h) | 壓力 (Mpa) | 安裝尺寸(mm) | ||||||
DN | D | K | d | H1 | H2 | L | |||
2J-T-52/64 | 52 | 64 |
8 |
95 |
65 |
46 |
189 |
189 |
1250 |
2J-T-78/64 | 78 | 64 | |||||||
2J-T-92/50 | 92 | 50 | |||||||
2J-T-138/50 | 138 | 50 | |||||||
2J-T-152/40 | 152 | 40 | |||||||
2J-T-228/40 | 228 | 40 | |||||||
2J-T-240/32 | 240 | 32 |
12 |
105 |
82.5 |
56 |
189 |
189 |
1250 |
2J-T-360/32 | 360 | 32 | |||||||
2J-T-392/25 | 392 | 25 | |||||||
2J-T-588/25 | 588 | 25 | |||||||
2J-T-610/20 | 610 | 20 |
16 |
115 |
85 |
65 |
194 |
194 |
1300 |
2J-T-900/20 | 900 | 20 | |||||||
2J-T-1016/16 | 1016 | 16 | |||||||
2J-T-1500/16 | 1500 | 16 | |||||||
2J-T-1666/10 | 1666 | 10 |
26 |
125 |
98 |
75 |
200 |
200 |
1350 |
2J-T-2500/10 | 2500 | 10 | |||||||
2J-T-2288/8 | 2288 | 8 | |||||||
2J-T-3432/8 | 3432 | 8 | |||||||
2J-T-3100/6.4 | 3100 | 6.4 |
35 |
125 |
98 |
75 |
200 | 200 |
1350 |
2J-T-4650/4.0 | 4650 | 4.0 | |||||||
2J-T-4000/2.5 | 4000 | 2.5 | |||||||
2J-T-6000/1.6 | 6000 | 1.6 | 40 | 145 | 110 | 85 | 235 | 235 | 1350 |
2J-T-9000/1.6 | 9000 | 1.6 | |||||||
2J-T-7320/1.0 | 7320 | 1.0 |
80 |
195 | 160 |
135 |
270 |
270 | |
2J-T-11000/1.0 | 11000 | 1.0 | |||||||
2J-T-15500/0.5 | 15500 | 0.5 | |||||||
電機功率:4KW-7.5KW 轉速:1400r/min
安裝尺寸(mm)

- 上一篇: 2J-X型柱塞式計量泵
- 下一篇: 2J-D型柱塞式計量泵
推薦信息
- 12/11/2025 | J-X型柱塞式計量泵
- 12/11/2025 | 2J-X型柱塞式計量泵
- 12/11/2025 | J-D型柱塞式計量泵
- 12/11/2025 | 2J-T型柱塞式計量泵
- 12/11/2025 | J-T型柱塞式計量泵
- 12/11/2025 | 2J-D型柱塞式計量泵
- 12/11/2025 | J-Z型柱塞式計量泵
- 12/11/2025 | J-W型柱塞式計量泵




